40G高速InGaAs光検出器

HSPD4040高速検出器モジュールは、デジタルおよびアナログの両方のアプリケーション向けに設計されています。このモジュールには、1250~1650 nmの波長範囲に対応するInGaAs PINフォトダイオードと、必要なマッチングエレクトロニクスが搭載されています。

HSPD4040は最大40GHzの帯域幅を提供します。モジュールは+5Vで動作します。標準のシングルモード9/125μm光ファイバー入力に準拠しています。RF出力ポートは50Ωインピーダンスに整合された2.92mmコネクタです。HSPD4040は密閉されており、重量は20グラム未満です。ROHS 2.0認証済みです。

  • 製品詳細

40G高速InGaAs光検出器

特徴

  • 広帯域幅
  • バイアスTを内蔵
  • DC結合
  • 密閉型、2.92コネクタ

アプリケーション

  • 高速光ファイバー通信
  • レーダー情報処理
  • 電子戦
  • 高速信号テストと測定
  • マイクロ波フォトニクス

製品の選択

標準および絶対最大定格

パラメータ

Sym.

タイプ

評価

ユニット

保管温度範囲

TSTG

-45 ~ +85

-55 ~ +85

動作ケース温度範囲

TC

25

-40 ~ +85

バイアス電圧

VR

5

5~6

V

光入力電力

ピン

+3

+10

ミリワット

バーンアウト光パワー

PB

- +15

ミリワット

鉛はんだ付け温度

タップ

280(10秒)

330(10秒)

光学および電気仕様

パラメータ

シンボル

タイプ

マックス

ユニット

注記

応答スペクトル

λ

1000

1650

ナノメートル

小信号帯域幅

-3dB

35

40

ギガヘルツ

最大入力光パワー

午後

13

ミリワット

2,3

応答性

R

0.75

0.85

秋冬

1

振幅平坦性

±2

dB

PDのバイアス電圧

Vpd

5 6

V

3

出力VSWR

VSWR

2.5 3

飽和RF出力

ふくれっ面

-10

dBm

暗電流

ID

1 40

該当なし

出力インピーダンス

RL

50

Ω

注記

1. λ=1310nm、1550nm

2. 2. 25°Cの通常バイアス

3. 絶対最大定格にさらすと、デバイスの信頼性に悪影響を与えたり、永久的な損傷を引き起こしたりする可能性があります。

典型的な応答曲線

40G High Speed InGaAs Photodetector

図1 40G光検出器の周波数応答

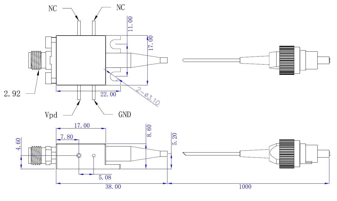
寸法とピン数(単位:mm)

40G High Speed InGaAs Photodetector

注文情報

部品番号

注記

HSPD4040

SM FC/APC ファイバーコネクタ付き 40 GHz PD レシーバ

予防

ファイバーの損傷を避けるため、ファイバーの曲げ半径は 20mm 以上である必要があります。

光回路に接続する前に、ファイバー結合面がきれいであることを確認してください。

保管、輸送、使用時には適切な ESD 保護が必要です。

この製品について知りたいですか?

送信 メッセージ
伝言を残す

あなたは私達のプロダクトに興味があり、詳細を知りたいのですが、ここにメッセージを残してください

  • 主題 : 40G高速InGaAs光検出器

関連製品
High-Speed Detectors 高速検出器 HSPD4018 & HSPD4040
国内顧客の完全ローカライズ高速光検出器(PD)製品への需要に応えるため、Fiberwdmは約2年間の研究開発と最適化を経て、18GHzと40GHzを超える帯域幅を持つ2つの高速PD製品を開発しました。18GHz PDの立ち上がり時間は20ps未満、40GHz PDの立ち上がり時間は8.5ps未満です。これらの応答性は、Finisar、Thorlabsなどの類似輸入製品に劣らず、テール振動も良好に制御されています。 このシリーズの高速検出器は、トランスインピーダンスアンプ(TIA)を内蔵しておらず、極めて低ノイズを特徴としています。高速通信システムやフェムト秒レーザーシステムのテストに使用でき、コスト効率に優れた完全ローカライズ製品です。 Fiberwdm が独自に開発したリニア電源は、科学研究用途における高速検出器の要件を完全に満たすことができます。
 High-speed detector with amplification 増幅機能付き高速検出器
増幅機能付き高速検出器の完全ローカライズに対する国内顧客の需要に応えるため、Fiberwdmは20GHzを超える帯域幅の製品を発売しました。このシリーズの高速検出器は、内蔵増幅機能を備え、極めて低ノイズを特徴としています。高速通信システムやフェムト秒レーザーシステムの試験に使用でき、コスト効率に優れた完全ローカライズ製品となっています。Fiberwdmは独自にリニア電源を開発し、科学研究用途における高速検出器のニーズに完全に応えます。
16Channels 3CH WDM GPON XGS-PON And RF Video SC/ACP 1U Rack 16チャンネル 3CH WDM GPON XGS-PONおよびRFビデオSC/ACP 1Uラック 440*230*44MM
デジタル変革の進展に伴い、高速で信頼性が高く、柔軟な通信ネットワークへの需要はかつてないほど高まっています。パッシブ光ネットワーク(PON)は、現代の通信インフラの基盤となり、家庭用ブロードバンドから企業ネットワークまで、幅広いアプリケーションをサポートしています。増大する帯域幅のニーズと将来を見据えたネットワークに対応するため、3CH WDM(4チャネル波長分割多重)とGPON、XGS-PON、RFビデオ技術を統合することで、光ファイバー利用率を最大化し、サービス提供能力を向上させる包括的なソリューションを提供します。
200G QSFP56 FR4 2KM 200G QSFP56 FR4 2KM LC PAM4 光トランシーバー
偉業尿 4 二重チャネル送信機および受信機 統合された CWDM LD および PD アレイ LC/UPC接続インターフェース準拠 +3.3V単一電源 DDM機能実装 ホットプラグ可能な QSFP56 フォームファクタ 伝送距離最大2km 低消費電力:<6.5w 国際クラス 1 レーザー安全性認定済み 使用温度範囲:0℃~+70℃ ROHS10に準拠                                                                                                アプリケーション 200GBASE-FR4イーサネット スイッチとルーターの接続 データセンター その他の 200G 相互接続要件。 規格 IEEE 802.3cd CMIS リビジョン 4.0 OIF-CEI-04.0 56G-VSR-PAM4 IEEE 802.3bs Annex120E SFF-8024 Rev. 4.6 SFF-8679 Rev1.8 SFF-8665 Rev1.9
 Semi-Active WDM System for 5G Fronthaul Transmission Semi-Active WDM System for 5G Fronthaul Transmission
特徴 無線フロントホール、専用線、ホームブロードバンドサービスを考慮し、無線フロントホールおよびその他のサービスへの包括的なアクセスをサポートし、フロントホールネットワークの価値を最大化します。 光ファイバーの節約を最大限にし、1 本のファイバーで 9 チャネルの 4G および 5G フロントホール CPRI/eCPRI サービスを伝送できます。 ローカル側はアクティブ、リモート側はパッシブであり、WDM テクノロジを使用して、遅延やジッタを導入せずに、純粋な透過伝送の物理チャネルを拡張します。 各チャンネルの光出力監視機能をサポートしており、メンテナンスや障害箇所の特定が容易です。 光層での 1:1 保護をサポートし、保護切り替え時間は 20 ミリ秒未満で、ネットワークの信頼性が向上します。 光層保護機能カードは、アプリケーションシナリオに応じて選択でき、ホットスワップおよび電源オフ/電源オンホールド機能をサポートし、電源オフ時にデバイスがサービス操作に影響を与えないことを保証します。 SNMP、Web、その他のグラフィカルインターフェイスネットワーク管理をサポートします。 ローカルエンド機器アクティブは、AC 220V、DC -48V電源(オプション)、および1+1電源入力保護をサポートします。 設置方法は柔軟で、中央オフィス機器はラックマウント設置と壁掛け設置をサポートし、リモート機器はラックマウント、ポールマウント、壁掛け設置をサポートしており、簡単に設置でき、プラグアンドプレイが可能です。 リモート屋外デバイスは IP67 規格の要件を満たし、ポールおよび壁への取り付けをサポートします。
Avalanche Detector APD1050H 雪崩探知器
APDアバランシェフォトダイオード検出器シリーズは、Thorlabs社およびNewport社のアバランシェ検出器と基本的に同じ使用方法であり、電源インターフェースも完全に同一です。モニター出力(Thorlabs社およびNewport社の一部製品に搭載)が不要で、帯域幅が同じであれば、直接交換可能です。また、あらゆる面でThorlabs社およびNewport社の類似製品に劣らない性能を備えています。 FiberwdmのAPDアバランシェフォトダイオード検出器は、すべて国産です。独自の温度補償技術を採用し、全温度範囲(-40℃~80℃)において、高感度、高安定性、高ゲイン、低ノイズの検出器を実現しています。従来仕様の検出器に加え、カスタマイズサービスも提供しています。検出器の各種指標(電源電圧、ゲイン、帯域幅など)は、お客様のニーズに合わせて調整可能で、特定の要件を満たすことができます。 応用分野:レーザーレーダー、空間光通信、光ファイバーセンシングシステム、光検出システムなど。
1X12 MEMS Fiber Optical Switch,PM Fiber Module PM(偏波保持)1X12 MEMSファイバー光スイッチ1550nm 0.9MM 0.5M PMファイバーFC/APC 158x150x29nmモジュール
特徴 実証済みのMEMSの耐久性と信頼性 コンパクトなフォームファクター 高速な切り替え時間 Telcordia GR-1073-COREおよびRoHSに適合 UART/TTLまたはUART/RS232制御インターフェース
 1.6T OSFP-XD DR8+ 1.6T OSFP-XD DR8+
ROSXD-1T6-DR8+は、シングルモードファイバ上でPAM4変調方式により、最大212.5 Gb/sのデータレート(チャネルあたり)でシリアル光データリンクを送受信するように設計されています。これは、高性能EMLレーザーを統合した小型ホットプラグ可能なトランシーバモジュールです。1600Gイーサネット仕様およびOSFP-XD MSAに準拠しています。
伝言を残す
伝言を残す
あなたは私達のプロダクトに興味があり、詳細を知りたいのですが、ここにメッセージを残してください

製品

について

接触