China 200G 400G DCI supplier

PDA1000-2 デュアルチャンネル 10KHz ユニット検出器

このシリーズの検出器は、Thorlabs社およびNewport社のユニット検出器と基本的に同じ使用方法であり、電源インターフェースも完全に同一です。モニター出力(Thorlabs社およびNewport社の一部製品に搭載)が不要で、帯域幅が同じであれば、直接交換することができ、あらゆる面でThorlabs社およびNewport社の類似製品に劣ることはありません。既存の仕様の検出器に加えて、カスタマイズサービスも提供しています。お客様のニーズに合わせて、検出器の各種指標(電源電圧、ゲイン、帯域幅など)を調整し、お客様の要件を満たすことができます。

  • 製品の詳細

増幅型光受信機

PDA1000-2 デュアルチャンネル 10KHz ユニット検出器

ユーザーマニュアル

外観とインターフェースの説明

モジュールの外観を下図に示します。

Dual-Channel 10KHz Unit Detector

図2-1 検出器モジュール外観図

このうち、左側のインターフェースは光入力インターフェース(FC)、右上は電源入力インターフェース(M8)、右下は信号出力インターフェース(SMA)です。

カスタマイズされた対応する電源コードを下の図に示します。

Dual-Channel 10KHz Unit Detector

図2-2 適合電源コード

写真の左端は検出器モジュールとの接続端で、右側の3本の電源コードの接続方法を示すラベルが貼られています。ケーブルはPVC製で、最大電流は3A、線径は24AWGです。ピン配列はThorlabs社およびNewport社の検出器モジュールの電源コードと完全に一致しており、互換性があります。

電気に関する説明書

1. デュアル電源製品:±12V(茶赤線:+12V、黒線:GND、青線:-12V)。帯域幅が300MHz以下の製品の場合、最小電源電圧は±8Vまで、最大値は±15Vを超えてはなりません(検出器のラベルとこの指示に矛盾がある場合は、この指示が優先されます)。帯域幅が1GHzを超える製品の場合、電源電圧は±12Vを超えてはなりません。また、テスト用電源モジュールとして、Honghaiスイッチング電源モジュールJMD10-D12をご購入いただけます。このモジュールは、屋内での使用時に検出器の性能を保証できます。屋外での使用については、ご自身で評価してください。検出器モジュールの通常動作時の電流は100mA未満です。実験室ユーザーは、当社のリニア電源をお試しいただけます。

単電源製品:5V~12V(茶赤線:+12V、黒線:GND、青線:フローティング)。通常動作時の検出器モジュールの電流は100mA未満です。

2.出力インターフェース:SMA(メスコネクタ)

3.出力インピーダンス:50オーム。

4.最大出力電圧:

500MHz 未満の製品: ±3.6V (@High Z)、±1.8V (@50ohm)。

1GHz(含む)以上の製品:±1V(@50ohm)。

5. スペクトル応答範囲:900nm〜1700nm。

6. 検出器応答性:>0.95A/W@1550nm

7. 光入力振幅は飽和光パワー(飽和パワー)を超えてはならない。

パフォーマンスパラメータ

パフォーマンステストの手順:

1. テスト光源の FC コネクタ条件が異なるため、各検出器の挿入損失が一定ではなく、検出器応答のテスト結果がわずかに異なります。

2. 検出器のトランスインピーダンスゲインは、出力負荷が高インピーダンスの場合に計算されます。出力負荷が50Ωの場合、ゲインは公称値の半分に減少します。

3. 検出器ノイズと立ち上がり時間の測定結果は、以下の条件下で得られます。

a: オシロスコープの入力インピーダンスは50Ωです。

b: オシロスコープの帯域幅は全帯域幅(≥1GHz)です。

c: オシロスコープの時間分割は 100ns/div に設定されています (注: 時間分割が異なるとノイズは大きく異なります)。

4.試験室温度:23℃±5℃

5.テスト相対湿度:35%±15%

6.テスト動作電圧:±12V

ユニット検出器(PDA1055H)の標準的なテストパラメータ

モデル PDA1000-2
波長範囲 900~1700nm
3 dB帯域幅 10kHz
コンバージョンゲイン 2.5x10 6 V/A
全体的な出力電圧ノイズ 1.3mVRMS
飽和パワー 4.8uW
典型的な最大応答性 1A/W @1550nm
出力インピーダンス 50Ω
マキシム出力 1.0V@50Ω
入射電力(最大) 5mW
検出器の材質/タイプ InGaAs/PIN
検出器直径 75μm
光入力 FC/PC または FC/APC または空き領域
電気出力 SMA
パッケージ寸法 60mm×58mm×24mm
電源要件 ±12V、50mA

図3-1 電気的性能の概要

Time-domain Noise Level (Blue and red lines are the noise of the two channels respectively)

図3-2 時間領域ノイズレベル(青線と赤線はそれぞれ2つのチャネルのノイズです)

Input Optical Pulse Response

図3-3 入力光パルス応答

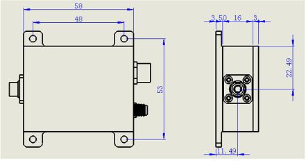
機械寸法

Mechanical Dimension Diagram of Unit Detector Module

図4-1 ユニット検出器モジュールの機械寸法図

単位:mm

この商品について知りたいですか?

送る メッセージ
伝言を残す

あなたは私達のプロダクトに興味があり、詳細を知りたいのですが、ここにメッセージを残してください

関連製品
 QSFP-DD-400G-ER4 PAM4 LWDM4 40km LC SMF without FEC Optical Transceiver Module QSFP-DD-400G-ER4 PAM4 LWDM4 40km LC SMF(FECなし)光トランシーバモジュール
400G QSFP-DD ER4光モジュールは、デュプレックスLCコネクタを介してSMFで最大40kmの伝送距離をサポートします。QSFP-DD MSA、IEEE 802.3bsプロトコル、および400GAUI-8規格に準拠しています。400ギガビットイーサネット信号はデュプレックス光ファイバーを介して伝送されます。
Single Fiber 1310nm-1610nm CWDM MUX DEMUX シングル ファイバー 8ch(16 ウェーブ) CWDM MUX Demux モニターポート付き
CWDM MUX DEMUX、最大8つのマルチプレックス ..シングルファイバー用 BIDI トランスミッション 1% 信号分析またはトラブルシューティングのためのポートを監視します パッシブ、イーサネット、FC、OTN、SONET / SDHなどの透明なプロトコル すべてと互換性があります ITU-T 1G / 10G / 25G CWDM 光学 地域の地域への適用CWDM ネットワーク
3CH WDM GPON XGS-PON And RF Video Plug-in LGX Box 3CH WDM GPON XGS-PONおよびRFビデオプラグインLGXボックス215 * 150 * 20MM
デジタルトランスフォーメーションの進展により、高速で信頼性が高く、柔軟な通信ネットワークへの需要がかつてないほど高まっています。パッシブ光ネットワーク(PON)は、家庭用ブロードバンドから企業ネットワークまで、現代の通信インフラの基盤となっています。増大する帯域幅のニーズと将来を見据えた導入に対応するため、3CH WDMをGPON、XGS-PON、RFビデオ技術と統合することで、光ファイバー利用率を最大化し、サービス機能を強化する包括的なソリューションを実現します。
 POB24 Series Parallel Optical Transceiver Module POB24シリーズパラレル光トランシーバモジュール
POB24シリーズパラレル光トランシーバモジュールは、防衛通信コマンドシステムおよびサブシステム向けに設計されており、多チャネルの電気信号と光信号間の双方向変換を可能にします。本モジュールは、密閉型マイクロソケットパッケージ構造を採用し、スプリング式電気コネクタと24コアMT/MPO光インターフェースを備えています。動作温度範囲は-40℃~+85℃で、シングルチャネル伝送速度は1.25Gbps~10.3125Gbpsです。
 400G DCI Box Network management Control Board FW8N 400G DCI ボックス ネットワーク管理コントロールボード FW8N
製品の特徴: ホットスワップおよびソフトウェアおよびハードウェアのウォッチドッグ機能: ネットワーク管理の信頼性、制御性、および信頼性を確保します。 オンライン アップグレードのサポート: オンライン アップグレードは、サービス ボードの機能に影響を与えることなく、ローカルまたはリモートで実現できます。 完全なネットワーク管理プラットフォーム: 複数のネットワーク管理プラットフォームをサポートし、ネットワーク管理方法には SNMP、CLI、Web、NMS (グラフィカル インターフェイス) が含まれます。 豊富なネットワーク管理インターフェイス: 2 * SFP および 2 * RJ45 管理インターフェイスとローカル インターフェイス (TYPE-C ポート) を提供します。 強力なマルチレベルのネットワーク トポロジ管理機能を提供し、ネットワーク トポロジの迅速かつ自動検出を実現し、直感的で鮮やかな表示グラフィックを生成します。 TMN仕様に従い、デバイス管理、監視と展開、ソフトウェアアップグレード管理、設定ファイル管理、アラームとパフォーマンス管理などの機能を実現し、デバイスレベルからネットワークレベルまでの包括的なネットワーク管理を実現します。
 EDFA Optical Amplification Card 光増幅器 EDFA カード
EDFA Ba La Pa.低ノイズ 写真図形:典型的な 5.0db 高 平坦性: 典型的な 1dB カバー全体Cバンド: . Carrie 40または80 CHS
 DTS Integrated Module DTS統合モジュール
特徴 内蔵DAQ:温度を直接出力 検知距離:25km(SM)、15km(MM)、5km(高精度) 顧客の研究開発サイクルを短縮
 10 Gigabit Uplink Gigabit Managed POE Switch FW5700-24GP-4TF 10 ギガビット アップリンク ギガビット マネージド POE スイッチ FW5700-24GP-4TF
24 * 10/100/1000Mbps RJ45 ポート + 4 * 10 ギガビット SFP+ ポート FW5700-24GP-4TF は、24 ポートのネットワーク管理型インテリジェント スイッチです。24 個の 10/100/1000M アダプティブ ポートと 4 個の 10 ギガビット SFP+ ポートが提供され、コンバージェンスとコア データ交換に十分な帯域幅を提供します。ユーザーは適切な 10 ギガビット ポートを選択して、ネットワーク要件を柔軟に満たすことができます。この製品は、新世代の高性能ハードウェアおよびソフトウェア プラットフォームを採用し、3 層のルーティング プロトコル、完全なセキュリティ保護メカニズム、完璧な ACL/QoS ポリシー、および豊富な VLAN 機能をサポートし、管理と保守が容易で、ネットワークに対するユーザーのネットワーク要件を満たします。管理が容易で、セキュリティが高く、低コストであり、キャンパス、ホテル、およびエンタープライズ キャンパスのネットワーク アクセス、コンバージェンス、およびコアの複数アプリケーションのシナリオに適したネットワーク機器。
伝言を残す
伝言を残す
あなたは私達のプロダクトに興味があり、詳細を知りたいのですが、ここにメッセージを残してください

在宅

プロダクト

連絡先