QSFP112 400G BASE-SR4 850nm 100mトランシーバー

QSFP112 400G BASE-SR4 850nm 100mトランシーバー

400G QSFP112 SR4トランシーバは、マルチモード光ファイバーを介してPAM4変調方式により最大106.25 Gb/s(チャネルあたり)のデータレートでシリアル光データリンクを送受信するように設計されています。本製品は、光消光比2.5dBの高性能VCSEを内蔵した、小型フォームファクタのホットプラグ対応トランシーバモジュールです。400Gイーサネット仕様およびQSFP112 MSAに準拠しています。

  • 製品詳細

QSFP112 400G BASE-SR4 850nm 100mトランシーバー

応用

  • 400GBASE-SR4 イーサネット
  • スイッチとルーターの接続
  • データセンター
  • その他の400G相互接続要件

特徴

  • データレート 106.25Gbps (PAM4)/チャネル
  • MPO-12 APCコネクタ
  • 4x100G PAM4 VCSELアレイ
  • 単一+3.3V電源
  • DDM機能が実装されました
  • ホットプラグ可能なQSFP112フォームファクター
  • OM4/0M5(MMF)の最大リンク長は100m
  • 動作温度範囲: 0~+70°C
  • 最大消費電力10W
  • クラス1レーザー
  • ROHS 6.0準拠

仕様

パラメータ シンボル ユニット タイプ マックス 注記
送信機(レーンあたり)
車線あたりの信号速度 GBd 53.125±100pm
変調フォーマット PAM4
中心波長 ナノメートル 844 850 863
RMSスペクトル幅 RMS dB 0.6
レーンあたりの平均発射力 TXPx dBm -4.6 4
レーンあたりの外側光変調振幅 OMAouter dBm -2.6 3.5
送信機の偏位、各レーン DPx dB 2.3

PAM4の各レーンのトランスミッタおよび分散ペナルティアイクローズ

TDECQ dB 4.4

各レーンのオフトランスミッターの平均発射電力

dBm -30
送信機遷移時間 Tr、Tf 追伸 17
消光比 救急外来 dB 2.5
リン 12 OMA dB/Hz -132
光リターンロス許容範囲 dB 12
エンサークルド・フラックス 19mmで86%以上、4.5mmで30%以下

パラメータ シンボル ユニット タイプ マックス 注記
レシーバー(レーンあたり)
車線あたりの信号速度 GBd 53.125±100pm
変調フォーマット PAM4
入力動作波長 ナノメートル 842 948
レーンごとのダメージ閾値 DT dBm 5
レーンあたりの平均受信電力 RXPx dBm -6.4 4
レーンあたりの受信電力OMAouter OMAouter dBm 3.5
受信機の反射率 Rfl -12

受信感度(OMAouter)、各レーン

dBm -4.6
ストレス感受性(OMAouter) 5 dBm -2

BER=2.4E-4 TDECQ=4.4

注文情報

部品番号 仕様 応用
パッケージ データレート レーザ 光パワー 検出器 感度 温度 到着 その他

RQ112-400G-SR4

QSFP112 400G VCSEL -4.6~4dBm ピン <-4.6dBm@OMA 0~70℃ 1億 RoHS

400G ベース SR4

絶対最大定格

パラメータ シンボル ユニット マックス
保管温度範囲 Ts -40 +85
相対湿度 RH % 5 95
電源電圧 Vcc V -0.5 +4.0

推奨動作条件

パラメータ シンボル ユニット タイプ マックス
動作ケース温度範囲 TC 0 / 70
電源電圧 Vcc V 3.135 3.3 3.465

光インターフェース

QSFP112 400G BASE-SR4 Transceiver 図1 光レーンシーケンス

原理図

QSFP112 400G BASE-SR4 Transceiver 図2 モジュール原理図

電気港の定義

パラメータ シンボル ユニット タイプ マックス 注記
供給電圧 VCC V 3.14 3.47
供給電流 ICC ミリアンペア 3000
トランシーバー電源投入初期化時間 MS 2000
送信機
レーンあたりのPAM4信号レート BR GBd 53.125 PAM4
シングルエンド入力電圧許容範囲 ヴィント V -0.3 4.0
差動データ入力振幅 車台番号 mVp-p 880
コモンモードノイズ(RMS) mV 17.5

差動差動終端抵抗の不一致

% 10

受信機

レーンあたりのPAM4信号レート

GBd 53.125

シングルエンド出力電圧

VoutR V 0.45

差動データ出力振幅

Vout、PP mVp-p 900

コモンモードノイズ(RMS)

mV 17.5

差動差動終端抵抗の不一致

% 10

IIC通信

IICクロック周波数(高速モード)

MHz 1

クロックストレッチ

私たち 500

データ保持時間

ns 300

QSFP112 400G Transceiver

図3 電気ピン配置の詳細

ピンの説明

ピン番号 論理 シンボル 説明 注記
1 GND 地面 1
2 CML-I トランザクション2n 送信機反転データ入力
3 CML-I トランザクション2p 送信機非反転データ出力
4 GND 地面 1
5 CML-I トランザクション 送信機反転データ入力
6 CML-I トランザクション4p 送信機非反転データ出力
7 GND 地面 1
8 LVTTL-I モッドセル 選択
9 LVTTL-I リセットL リセット
10 VccRx +3.3V電源レシーバー 2
11 LVCOMS-I/O SCL 2線式シリアルインターフェースクロック
12 LVCOMS-I/O SDA 2線式シリアルインターフェースデータ
13 GND 地面 1
14 CML-0 Rx3p レシーバ非反転データ出力
15 CML-0 処方3n 受信機反転データ出力
16 GND 地面 1
17 CML-0 Rx1p レシーバ非反転データ出力
18 CML-0 処方箋1n 受信機反転データ出力
19 GND 地面 1
20 GND 地面 1
21 CML-0 処方2n 受信機反転データ出力
22 CML-0 Rx2p レシーバ非反転データ出力
23 GND 地面 1
24 CML-0 処方箋4n 受信機反転データ出力
25 CML-0 Rx4p レシーバ非反転データ出力
26 GND 地面 1
27 LVTTL-0 モッドPrsL 現在
28 LVTTL-0 国際/受信LOS 割り込み/オプションのRxLOS
29 VccTx +3.3 V電源トランスミッタ 2
30 Vcc1 +3.3 V電源 2
31 LVTTL-I LPモード/送信無効 低電力モード/オプションのTX無効化
32 GND 地面 1
33 CML-I トランザクション3p 送信機反転データ入力
34 CML-I トランザクション 送信機非反転データ出力
35 GND 地面 1
36 CML-I Tx1p 送信機反転データ入力
37 CML-I トランザクション 送信機非反転データ出力
38 GND 地面 1
39 GND 地面 1
40 CML-I 送信 送信機反転データ入力
41 CML-I Tx6p 送信機非反転データ出力
42 GND 地面 1
43 CML-I 送信者 送信機反転データ入力
44 CML-I 送信者 送信機非反転データ出力
45 GND 地面 1
46 予約済み 将来の使用のために 3
47 VS1 モジュールベンダー固有 1 3
48 VccRx1 +3.3V電源レシーバー 2
49 VS2 モジュールベンダー固有 2 3
50 VS3 モジュールベンダー固有 3 3
51 GND 地面 1

注:

1. GNDは、QSFP112モジュールの信号および電源(パワー)コモンの記号です。QSFP112モジュール内ではすべて共通であり、特に明記されていない限り、すべての電圧はこの電位を基準とします。これらをホストボードの信号コモングランドプレーンに直接接続してください。2. Vcc Rx、Vcc1、およびVcc Txは、受信機と送信機の電源であり、同時に印加する必要があります。ホストエッジカードコネクタのホスト側に定義されている要件は、表4に記載されています。推奨されるホストボード電源フィルタリングを図4に示します。Vcc Rx、Vcc1、およびVcc Txは、QSFP112モジュール内で任意の組み合わせで内部接続できます。コネクタピンの各最大電流定格は1.5Aです(15~20Wの高モジュール電力には、最大2.0Aの電流が必要です)。

モジュールメモリマップ

QSFP112 400G Transceiver QSFP112 400G Transceiver

図4 デジタル診断メモリマップ

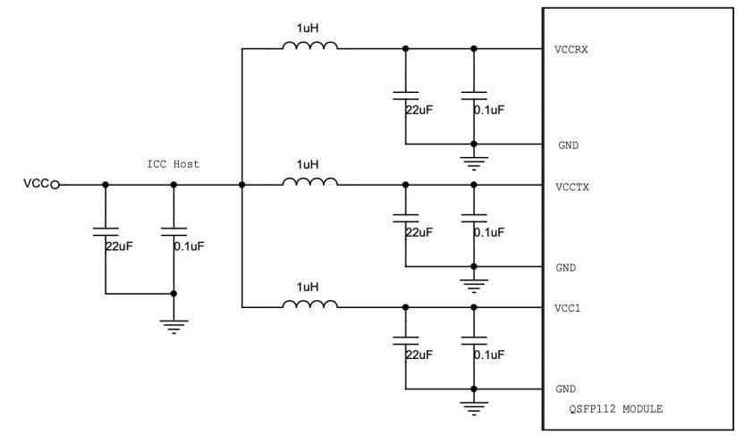
ホストボード電源フィルタリング

ホスト上のフィルタネットワークにおける電圧降下は、ホストのDC設定点精度仕様に加算されます。ホストエッジカードコネクタに必要な電圧を維持するために、DC抵抗が0.1Ω未満のインダクタを使用する必要があります。図5は、推奨されるトランシーバ/ホストインターフェースです。

QSFP112 400G BASE-SR4

図5 推奨ホストボード電源フィルタリング

パッケージ概要

QSFP                                    </div>
                                </div>
<!--                                <div>
                                    <div class= We insists on the customers’ demand as the guide, with the technology innovation as the drive, through 20 years technology accumulation, has already owned a series of power quality products including Active Harmonic filter, High voltage and low voltage Static var Generator, High voltage and Low voltage Automatic Power Factor Correction Panels. The products are widely used in many industries such as power grid, hospital, sewage plant, railway, subway, airport, seaport, oil and chemical industry, metallurgy, coal mine, tele-communication and high buildings and so on.

-->

この製品について知りたいですか?

送信 メッセージ
伝言を残す

あなたは私達のプロダクトに興味があり、詳細を知りたいのですが、ここにメッセージを残してください

関連製品
400G QSFP28 DR4 400g QSFP-DD DR4 PAM4 1310nm 500m MPO 光 送受信機
400g QSFP-DD DR4 光 送受信機 モジュール、サポート400GB / S そして最大500m SMファイバでの送信、それは高速で機能します.IDC 接続 解決策
400G QSFP28 SR8 400G QSFP-DD SR8 850nmMPO100M光トランシーバー
400GQSFP-DDSR8光トランシーバーモジュール,は400gb/sをサポートし、MMファイバーで最大100mの伝送をサポートします,高速IDC接続ソリューションで動作します.
400G QSFP28 SR8 400G QSFP-DD LR4 10KM 光トランシーバー
400G QSFP-DD LR4 光トランシーバー モジュールは、SM ファイバーで 400Gb/s および最大 10Km の伝送をサポートし、高速 IDC 接続ソリューションで動作します。 特徴 QSFP-DD MSAに準拠 100G Lambda MSA 400G-LR4仕様に準拠 CMIS5.0準拠 IEEE Std 802.3bs に準拠 8x53.125Gb/s 電気インターフェース (400GAUI-8) CWDM波長の冷却EMLレーザー FEC を使用したシングル モード ファイバー (SMF) で最大 10 km の伝送 +3.3V単電源 ケース温度範囲:0~+70℃ 最大消費電力 12W デュプレックス LC コネクタ RoHS 苦情 アプリケーション 400G BASE-LR4 イーサネット データセンター相互接続 エンタープライズ ネットワーキング
400G CFP2 Optical Transceiver Module 400G CFP2 DCO 光トランシーバー モジュール
400G CFP2 光トランシーバ モジュール システムのマザーボードで使用 MAN DWDM アプリケーションで最大 2000 km
OSFP 400G SR4 400G OSFP SR4 MM MPO12 光トランシーバー IB
特徴 OSFPシリアル光インターフェース 4x100G PAM4 リタイミング 400GAUI-4 電気インターフェイス アクティブ光ケーブル 4 チャンネル VCSEL アレイおよび 4 チャンネル PIN 光検出器アレイ 最大リンク長は OM3 で 60m、OM4 では 100m OSFP MSA準拠 ホットプラグ可能な OSFP フォームファクター OSFPモジュール仕様Rev 5.0に準拠 CMIS5.2に準拠 サポートプロトコル IEEE 802.3dbに準拠 IEEE 802.3ckに準拠 低消費電力 0~70℃の温度範囲で8W未満 アプリケーション 400GBASE-SR4 400G イーサネット データセンター
OSFP 400G DR4 400G OSFP DR4 SM MPO12 光トランシーバー IB
特徴 フォームファクタ: ホットプラグ可能な OSFP フォームファクタ  データ レート: 総データ レート 425 Gb/s、ブレークアウト データ レート 106.25 Gb/s  光インターフェース:400GBASE-DR4および4x100GBASE-DRに準拠 送信機:EML 1310nm送信機  電気インターフェース: 400GAUI-4 および 4x100GAUI-1 に準拠 受信機: 受信機側のPINおよびTIAアレイ 管理インターフェイス: I2C 管理インターフェイス 到達距離: MPO-12/APC シングルモードファイバーで最大 500m  消費電力:最大9W  動作ケース温度:0~70℃ 電源: 3.3V 単一電源 コンプライアンス フォームファクタ: OSFP MSA 光学式: IEEE802.3bs 電気式: IEEE802.3ck ファームウェア: CMIS 環境: RoHS 安定性: GR-468-CORE アプリケーション 400Gb/秒イーサネット データセンター  インフィニバンド
400G QSFP-DD FR4 400G QSFP-DD FR4 2KM 光トランシーバー
アプリケーション 400G BASE-FR4 イーサネット データセンター相互接続 インフィニバンド相互接続 エンタープライズ ネットワーキング 特徴 QSFP-DD MSAに準拠 4 CWDM レーン MUX/DEMUX 設計 100G ラムダ MSA 400G-FR4 仕様に準拠 最大消費電力 10W
QSFP-DD 400G EDR4 400G QSFP-DD EDR4 SM MPO12 2km 光トランシーバー
特徴 IEEE 802.3bs仕様に準拠 QSFP-DD MSA準拠 4x106.25 Gbps PAM4 光インターフェース 8x53.125 Gbps PAM4 電気インターフェイス DDM を統合した I2C インターフェイス FEC を備えたシングルモードファイバー (SMF) で最大 2km の伝送距離 アッププライ電圧: 3.3 V 最大消費電力:12W MTP/MPO-12コネクタ 動作ケース温度: 0 ~ 70 °C RoHS対応 アプリケーション 400Gイーサネット データセンターのエンタープライズ ネットワーキング
伝言を残す
伝言を残す
あなたは私達のプロダクトに興味があり、詳細を知りたいのですが、ここにメッセージを残してください

製品

について

接触