M1x16マグネットファイバー光スイッチ

M1x16マグネットファイバー光スイッチ

M1x16光スイッチは、光信号を接続または遮断することで光路に接続します。このスイッチは非機械的な構成で、電気制御信号によって作動します。また、サーキュレータとアイソレータの機能も内蔵しています。この製品は、航空宇宙および軍事機器に広く使用されています。

  • 製品詳細

M1x16マグネットファイバー光スイッチ

特徴

  • ソリッドステート高速
  • 高い安定性、高い信頼性
  • 光路上にエポキシフリー
  • フェイルセーフラッチ

アプリケーション

  • 航空宇宙機器
  • 設定可能な追加/削除
  • システム監視
  • センシングシステム

性能仕様

パラメータ

ユニット

仕様

波長範囲

ナノメートル

1520~1580年

テスト波長

ナノメートル 1550

挿入損失1、2

dB

≤ 2.0

TDL

dB

≤0.30

PDL

dB

≤0.20

リターンロス

dB

≥ 50

クロストーク

dB

双方向 ≥ 20

一方向性 ≥ 40

再現性

dB

≤±0.01

切り替え時間

私たち

≤100

パルス持続時間

私たち

≥200

耐久性

サイクル

100億以上

スイッチタイプ

該当なし

ラッチング

動作電流

ミリアンペア

≤200

最大光出力

ミリワット

≤500

動作温度

-5~+70

保管温度

-40~+85

寸法

んん

(長さ)40.0×(幅)67×(高さ)7.5 ±0.2

注: 1 室温および SOP でテストします。

2 コネクタを除く、1ペアのコネクタに対して0.2dB。

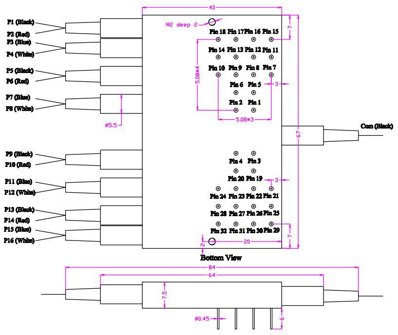
機械寸法(単位:mm)

M1x16 Magnet Fiber Optical Switch

電気駆動

M1x16 Magnet Fiber Optical Switch

機能図

1x16 Magnet Fiber Optical Switch

1x16 Magnet Fiber Optical Switch

注文情報

FSW-M1x16-□-□-□-□-□-□-□

1x16 Fiber Optical Switch

この製品について知りたいですか?

送信 メッセージ
伝言を残す

あなたは私達のプロダクトに興味があり、詳細を知りたいのですが、ここにメッセージを残してください

関連製品
China M1x1 Magnet Fiber Optical Switch M1x1 マグネット ファイバー光スイッチ
特徴 ソリッドステート高速 高い安定性、高い信頼性 光路上でエポキシフリー フェールセーフラッチ アプリケーション 航空宇宙機器 構成可能な追加/ドロップ システム監視 センシングシステム
China M1x2 Magnet Fiber Optical Switch M1x2 マグネット ファイバー光スイッチ
特徴 ソリッドステート高速 高い安定性、高い信頼性 光路上でエポキシフリー フェールセーフラッチ アプリケーション 航空宇宙機器 構成可能な追加/ドロップ システム監視 センシングシステム
China M2x2 Magnet Fiber Optical Switch M2x2 マグネット ファイバー光スイッチ
特徴 ソリッドステート高速 高い安定性、高い信頼性 光路上でエポキシフリー フェールセーフラッチ アプリケーション 航空宇宙機器 構成可能な追加/ドロップ システム監視 センシングシステム
China M2x2B Magnet Fiber Optical Switch M2x2B マグネット ファイバー オプティカル スイッチ
特徴 ソリッドステート高速 高い安定性、高い信頼性 光路上でエポキシフリー フェールセーフラッチ アプリケーション 航空宇宙機器 構成可能な追加/ドロップ システム監視 センシングシステム
China M1x8 Magnet Fiber Optical Switch M1x8 マグネット ファイバー光スイッチ
特徴 ソリッドステート高速 高い安定性、高い信頼性 光路上でエポキシフリー フェールセーフラッチ アプリケーション 航空宇宙機器 構成可能な追加/ドロップ システム監視 センシングシステム
China M1x4 Magnet Fiber Optical Switch M1x4 マグネット ファイバー オプティカル スイッチ
特徴 ソリッドステート高速 高安定性、高信頼性 光路上のエポキシフリー フェイルセーフラッチング アプリケーション 航空宇宙機器 構成可能なアド/ドロップ システム監視 センシングシステム
 2Channels*200G CFP2 To 2*100G QSFP28 Muxponder Card 2Channels*200G CFP2 To 2*100G QSFP28 Muxponder Card
製品の特徴: あなた DWDM伝送および波長変換をサポートします。 あなた シングルボードで 4 チャネルの 100G 双方向サービス アクセスをサポートします。 あなた ライン側は 2*200G CFP2 DCO コヒーレント光モジュールをサポートします。 あなた 顧客側では、100GBASE-SR4/CWDM4/LR4/PSM4 など、さまざまなモジュール インターフェイス タイプをサポートしています。 あなた ALS (自動レーザーシャットダウン) 機能をサポートします。 あなた DDM (デジタル診断モニタリング) 信号モニタリングをサポートします。 あなた SD-FEC および SC-FEC 機能をサポートします。 あなた CLI (Telnet およびコンソール)、Web、NetView (グラフィカル インターフェイス) などの管理インターフェイスを備えた、SNMP ベースの統合ネットワーク管理プラットフォームと互換性があります。
PLC 2.0MM 1.0M Fiber DIN Mounting Box 1x8 PLC SC/UPC 2.0MM 1.0M ファイバー DIN マウントボックス 120*110*20MM
FiberwdmのPLCは、独自のシリカガラス導波路プロセスに基づき開発され、信頼性の高い高精度に調整されたファイバーピグテールを小型パッケージに収めています。小型で信頼性の高い低コストの光分配ソリューションを提供します。PLCデバイスは、1260nmから1620nmの広い波長範囲にわたって、低挿入損失、低PDL、高反射損失、優れた均一性といった優れた性能を備え、-40℃から+85℃の温度範囲で動作します。PLCデバイスは、1×4、1×8、1×16、1×32の標準構成に加え、2×8、2×16、2×32、2×64のカスタマイズ構成もご用意しています。
伝言を残す
伝言を残す
あなたは私達のプロダクトに興味があり、詳細を知りたいのですが、ここにメッセージを残してください

製品

について

接触