特徴
アプリケーション
2x4 メカニカル光スイッチ
2X4光ファイバスイッチは、入力光信号を出力ファイバーに導通または遮断することで光チャネルを接続します。これは特許出願中のオプトメカニカル構成を採用し、電気制御信号によって作動します。ラッチングバージョンは駆動信号が除去された後も選択された光路を維持し、非ラッチングバージョンは電源が除去されるとデフォルトで開または閉状態になります。スイッチには電気式位置センサーが内蔵されています。新素材に基づく高度な設計により、可動部の位置感度が大幅に低減され、かつてない高い安定性と比類のない低コストを実現します。
  
仕様
| パラメータ | 仕様 | ユニット | 
| 動作波長 | 1260~1620(SM)、850(MM) | ナノメートル | 
| 挿入損失 | ≤1.2 | dB | 
| 波長依存損失 | ≤0.40 | dB | 
| 偏光依存損失 | ≤0.05 | dB | 
| 温度依存損失 | ≤0.20 | dB | 
| リターンロス | SM≥50 MM≥30 | dB | 
| クロストーク | SM≥55 MM≥35 | dB | 
| スイッチタイム | ≤8 | MS | 
| 再現性 | ≤±0.02 | dB | 
| 耐久性 | ≥107 | 回 | 
| 動作電圧 | 3または5 | V | 
| スイッチタイプ | 非ラッチング/ラッチング | / | 
| 動作温度 | -20~+70 | ℃ | 
| 保管温度 | -40~+85 | ℃ | 
| 光パワー | ≤500 | ムウ | 
| 寸法 | 長さ52.7×幅37.2×高さ10.0 | んん | 
ピン構成
| タイプ | 州 | 電動駆動 | ステータスセンサー | ||||||
| 2×4 | ピン1 | ピン5 | ピン6 | ピン10 | ピン2-3 | ピン3-4 | ピン7-8 | ピン8-9 | |
| ラッチング | 0 | -- | -- | GND | V+ | 近い | 開ける | 開ける | 近い | 
| 1 | V+ | GND | -- | -- | 開ける | 近い | 近い | 開ける | |
| 非ラッチング | 0 | -- | -- | -- | -- | 近い | 開ける | 開ける | 近い | 
| 1 | V+ | -- | -- | GND | 開ける | 近い | 近い | 開ける | |
| いいえ。 | 光ルート | リレー | |||||
| 1 | 2 | 3 | 4 | 5 | 6 | ||
| 1 | A-1、B-2 | 0 | 0 | 0 | 1 | 0 | 1 | 
| 2 | A-1、B-3 | 1 | 1 | 0 | 1 | 1 | 1 | 
| 3 | A-1、B-4 | 1 | 1 | 0 | 1 | 1 | 0 | 
| 4 | A-2、B-1 | 0 | 1 | 0 | 1 | 0 | 1 | 
| 5 | A-2、B-3 | 1 | 1 | 1 | 1 | 1 | 1 | 
| 6 | A-2、B-4 | 1 | 1 | 1 | 0 | 1 | 1 | 
| 7 | A-3、B-1 | 0 | 0 | 1 | 1 | 1 | 1 | 
| 8 | A-3、B-2 | 0 | 1 | 1 | 1 | 1 | 1 | 
| 9 | A-3、B-4 | 1 | 1 | 1 | 0 | 0 | 1 | 
| 10 | A-4、B-1 | 0 | 0 | 1 | 1 | 1 | 0 | 
| 11 | A-4、B-2 | 0 | 1 | 1 | 1 | 1 | 0 | 
| 12 | A-4、B-3 | 1 | 1 | 1 | 0 | 0 | 0 | 
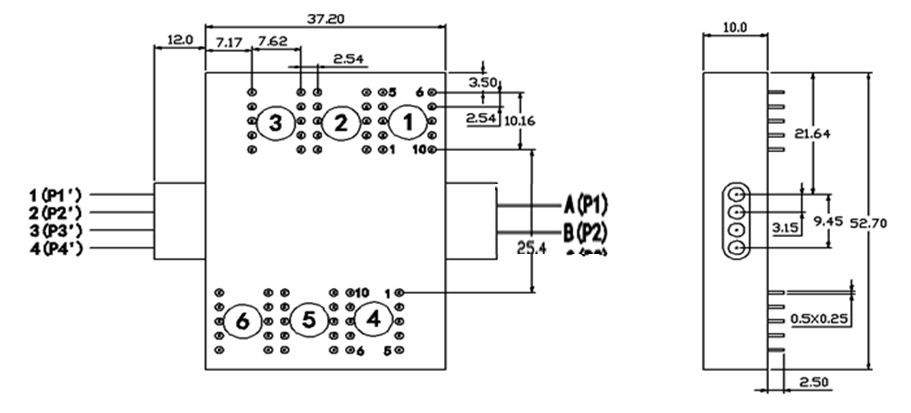
機械寸法(単位:mm)
  
光ルート
  
注文情報
| RD-FSW | -2x4- | -波長- | -スイッチタイプ- | -電圧- | -ファイバータイプ- | -パッケージ- | -繊維長- | -コネクタ- | 
| 
 | 
 | 1060=1 C+L=2 1310=3 1410=4 1550=5 650=6 780=7 1260-1610=A 1310/1550=9 850=8 スペシャル=0 | ラッチング=1 非ラッチング=2 スペシャル=0 | 3V=3 5V=5 スペシャル=0 | SM28=1 50/125=5 62.5/125=6 スペシャル=0 | 裸ファイバー=1 900umチューブ=3 スペシャル=0 | 0.25m=1 0.5m=2 1.0m=3 スペシャル=0 | なし=1 FC/PC=2 FC/APC=3 SC/PC=4 SC/APC=5 ST/PC=6 LC/PC=7 デュプレックス LC=8 スペシャル=0 | 
この商品について知りたいですか?
あなたは私達のプロダクトに興味があり、詳細を知りたいのですが、ここにメッセージを残してください