L1シリコン光学式3軸ジャイロ

L1シリコン光学式3軸ジャイロ

L1シリコン光3軸ジャイロは、±800°/sの測定範囲で高精度な3軸角速度検出を主目的に設計された小型シリコンフォトニックセンシング製品です。-45℃~+65℃の全温度範囲で≤1°/hの温度ゼロバイアス安定性、すべてのスケールファクター関連指標≤50ppm、角度ランダムウォークファクター≤0.1(°)/h¹ᐟ²、および≥400Hzの帯域幅を備えています。カスタマイズ可能なRS-422データ出力フォーマットを採用し、調整可能な400Hzのデータ更新レートを備え、+5V電源で定常状態の消費電力は<6Wです。63×63×25mmのコンパクトなサイズと185±15gの重量を持ち、標準化された電気インターフェースを備えています。小型軽量で低コストという利点を持ち、高精度の角速度データを安定して出力できます。

  • 製品詳細

L1シリコン光学式3軸ジャイロ

説明

L1シリコン光3軸ジャイロは、±800°/sの測定範囲で高精度な3軸角速度検出を主目的に設計された小型シリコンフォトニックセンシング製品です。-45℃~+65℃の全温度範囲で≤1°/hの温度ゼロバイアス安定性、すべてのスケールファクター関連指標≤50ppm、角度ランダムウォークファクター≤0.1(°)/h¹ᐟ²、および≥400Hzの帯域幅を備えています。カスタマイズ可能なRS-422データ出力フォーマットを採用し、調整可能な400Hzのデータ更新レートを備え、+5V電源で定常状態の消費電力は<6Wです。63×63×25mmのコンパクトなサイズと185±15gの重量を持ち、標準化された電気インターフェースを備えています。小型軽量で低コストという利点を持ち、高精度の角速度データを安定して出力できます。

特徴

  • 小型サイズ
  • 軽量
  • 低コスト
  • 温度ゼロバイアス安定性 ≤1°/h

応用

  • 無人航空機(UAV)
  • 誘導ミサイル、ポッド
  • 移動衛星通信

仕様

L1 Silicon Optical 3-Axis Gyro

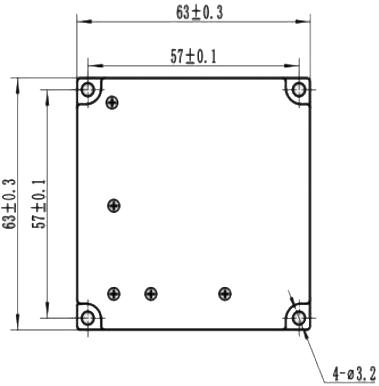
機械的寸法

L1 Silicon Optical 3-Axis Gyro L1 Silicon Optical 3-Axis Gyro

この製品について知りたいですか?

送信 メッセージ
伝言を残す

あなたは私達のプロダクトに興味があり、詳細を知りたいのですが、ここにメッセージを残してください

関連製品
 L1+ Silicon Optical Inertial Measurement Unit L1+シリコン光学慣性計測ユニット
L1+シリコン光慣性計測ユニットは、角速度と加速度の検出を統合したデュアルパラメータシリコンフォトニックセンシング製品で、3軸角速度と3軸加速度の両方をリアルタイムで同時に検出できます。角速度測定範囲は±800°/sで、全温度範囲におけるゼロバイアス安定性は≤1°/h、加速度測定範囲は±30gで、常温におけるゼロバイアス安定性は≤0.5mgです。帯域幅は≥400Hzで、優れたスケールファクター性能を備え、調整可能な400Hz更新レートでカスタマイズ可能なRS-422データ出力をサポートします。+5V電源で動作し、定常状態の消費電力は<6W、寸法は63×63×25mm、重量は185±15gで、標準化された電気インターフェースを備えています。小型軽量で低コストという利点を兼ね備え、包括的な運動慣性パラメータを出力できます。
 L2 Silicon Optical 3-Axis Gyro L2シリコン光学式3軸ジャイロ
L2シリコン光3軸ジャイロは、高精度3軸角速度センシング専用の高性能シリコンフォトニック製品です。室温におけるゼロバイアス安定性は≤0.2°/h、角速度測定範囲は-800~+800°/s、角ランダムウォーク係数は≤0.02(°)/h¹ᐟ²、帯域幅は≥400Hzで、スケールファクター非線形性と再現性はともに≤100ppmです。起動時間は≤1分、動作温度範囲は-40~+60℃、保管温度範囲は-55~+85℃で、+12~+24Vの幅広い電圧電源に対応しています。寸法は70±0.3×65±0.3×51.4±1mm、最大重量は500gで、標準的な電気インターフェースに対応しています。高い検出精度と優れた環境適応性を備え、非常に信頼性の高い角速度検出データを安定的に提供できます。
 L2+ Silicon Optical Inertial Measurement Unit L2+シリコン光慣性計測ユニット
L2+シリコン光慣性計測ユニットは、高精度な3軸角速度と3軸加速度を同時にリアルタイムで検出できる、高性能な全パラメータモーション慣性センシング製品です。室温における角速度のゼロバイアス安定性は≤0.2°/h、測定範囲は-800~+800°/s、角ランダムウォーク係数は≤0.02(°)/h¹ᐟ²です。加速度の測定範囲は±30gで、常温におけるゼロバイアス安定性は≤0.5mg、全温度におけるゼロバイアス安定性は≤1mgです。帯域幅は≥400Hz、起動時間は≤1分、動作温度は-40~+60℃、電源電圧は+12~+24Vと広範囲に対応しています。寸法は70±0.3×65±0.3×51.4±1mm、最大重量は500gで、標準的な電気インターフェースを採用しています。優れた検出精度と総合的な性能を備え、過酷な環境下でも動作パラメータ検出の要件を満たすことができます。
100G QSFP28 BIDI 100G QSFP28 BIDI 1271nm/1331nm 10km トランシーバー
特徴 100GBASE-LR1-10 BIDI をサポート レーン シグナリング レート 106.25Gb/s(PAM4 使用) SMFで最大10km伝送 EMLレーザーとPINレシーバー 4x25.78Gb/s、NRZ 電気インターフェイス (CAUI-4) 高速 I/O 電気インターフェース デジタル診断モニタリングを統合した I2C インターフェイス シンプレックス LC コネクタ付き QSFP28 MSA パッケージ +3.3V単一電源 通信アプリケーション用の HW TX_DIS および RX_LOS をサポート 最大消費電力 4W 動作ケース温度: 0 ~ +70 °C 802.3cu、SFF-8636&SFF-8679規格に準拠 EU指令2015/863/EUに準拠 応用 100GBASE-LR1-10 BIDI トランシーバーの種類:
1310/1490 1577/1270 WDM MUX ブロードバンドPONネットワークシングルラインデュアルアクセスデバイスFW-P801
シングルラインデュアルアクセス - 製品の特徴:   設置が簡単で隠蔽性が高い:シングルラインデュアルアクセスは、故障率が低いパッシブデバイスです。サイズが小さく、さまざまな用途に使用でき、複雑な環境でも素早く設置でき、隠蔽性が強いです。 低挿入損失:シングルラインデュアルアクセスデバイスの挿入損失は< 1.6dBであり、オンラインになった後のラインマージンが範囲内です。
China SFP 155 1270-1610nm 120KM DDM Optical Transceiver SFP 155M 1270-1610nm 120KM DDM 光トランシーバー
特徴: 最大 155Mb/秒のデータリンク ホットプラグ対応 デュプレックス LC コネクタ 9/125μm SMF で最大 120km 1270nm~1610nm CWDM DFB レーザー送信機 単一 +3.3V 電源 SFF-8472準拠の監視インターフェース 最大電力 <1W 工業用/拡張/商業用動作温度範囲: -40°C ~ 85°C/-5°C ~ 85°C/-0°C ~ 70°C バージョンが利用可能 RoHS準拠および鉛フリー アプリケーション: SONET OC-3/SDH STM-1 ファストイーサネット その他の光リンク
40CH 80Waves DWDM MUX DEMUX With INTL port Single FIBER 40CH 80Waves DWDM MUX DEMUX INTL ポート付き シングルファイバー 1U ラック
IL<5.5dB、100GHZ DWDM MUX DEMUX、AAWG テクノロジー 単一のファイバー Bidi ネットワーク上で 40 チャネルを多重化 長距離用途向けのインターリーバーフィルター付き 受動デバイス、電力不要、冷却不要 メトロ、地域、長距離 DWDM ネットワークをサポート
PM Fiber Patch Cord 分極維持ファイバーパッチコード
低挿入損失 高反射減衰量 高い消光比 高信頼性 高い安定性
伝言を残す
伝言を残す
あなたは私達のプロダクトに興味があり、詳細を知りたいのですが、ここにメッセージを残してください

製品

について

接触