1.25Gb/s 80km DWDM SFPトランシーバー

1.25Gb/s 80km DWDM SFPトランシーバー

アプリケーション:

  • 1Gファイバーチャネル
  • DWDMネットワーク
  • ファイバーチャネル
  • 製品詳細

1.25Gb/s 80km DWDM SFPトランシーバー

ホットプラグ対応、デュプレックスLC、+3.3V、100GHz、DWDM冷却DFB&PIN、シングルモード

1.25Gb/s 80km DWDM SFP Transceiver

特徴:

  • ホットプラグ対応
  • デュプレックスLCコネクタ
  • 最大2.67Gb/sのデータレート
  • 100GHz ITUグリッド、Cバンド
  • DWDM COOLED DFB 送信機、PINTIA 光検出器
  • SMFリンクは最大80kmまで接続可能
  • SFF 8472デジタル診断監視インターフェースに準拠した管理仕様用の2線式インターフェース
  • 電源電圧:+3.3V
  • 消費電力<1.5W
  • 温度範囲:0~70℃
  • RoHS指令準拠

説明:

FIBERWDM社のRSPD-03D80-Cxxは、1.25Gb/sのシリアル光通信アプリケーション向けに設計された、非常にコンパクトな1.25Gb/s光トランシーバモジュールです。RSPD-03D80-Cxxは、1.25Gb/sのシリアル電気データストリームを2.67Gb/sの光出力信号に変換し、1.25Gb/sの光入力信号を1.25Gb/sのシリアル電気データストリームに変換します。高速2.67Gb/s電気インターフェースは、SFI規格に完全準拠しています。

高性能DWDM冷却DFB送信機と高感度PINTIA受信機は、最大80kmのリンクにおけるイーサネットアプリケーションに優れた性能を提供します。

SFPモジュールはSFF-8431、SFF-8432に準拠しています。デジタル診断機能は、SFF-8472で規定されている2線式シリアルインターフェースを介して利用可能です。

完全SFP規格準拠のフォームファクタにより、ホットプラグ対応、光ポートの容易なアップグレード、および低EMI放射を実現しています。

絶対最大定格

パラメータ シンボル ミニ 典型的な 最大。 ユニット
保管温度 TS -40 +85 °C
ケース動作温度 TA 0 70 °C
最大供給電圧 Vcc -0.5 4 V
相対湿度 RH 0 85

電気的特性(TOP = 0~70℃、VCC = 3.135~3.465ボルト)


1.25Gb/s 80km DWDM SFP Transceiver

注記:

1. TXデータ入力ピンに直接接続。ピンからレーザードライバICへACカップリング接続。

2. SFF-8431 Rev 3.0に準拠

3. 100オームの差動終端に接続します。

4. 20%~80%

5. LOSはオープンコレクタ出力です。ホストボード上で4.7kΩ~10kΩのプルアップ抵抗で接続する必要があります。正常動作時は論理0、信号損失時は論理1となります。最大プルアップ電圧は5.5Vです。

光学パラメータ(TOP = 0~70℃、VCC = 3.135~3.465ボルト)

1.25Gb/s 80km DWDM SFP Transceiver

注記:

1. 平均電力値は参考情報としてのみファイバーチャネル

2. 12dBの反射。

3. OMAで規定された受信機の過負荷、および最悪の総合的ストレス条件下における過負荷。

タイミング特性

1.25Gb/s 80km DWDM SFP Transceiver

ピン割り当て

ホストボードコネクタブロックのピン番号と名称の図

1.25Gb/s 80km DWDM SFP Transceiver

ピン機能の定義

1.25Gb/s 80km DWDM SFP Transceiver

注記:

1. モジュールの接地ピンは、モジュールケースから絶縁されていなければならない。

2. このピンはオープンコレクタ/ドレイン出力ピンであり、ホストボード上の Host_Vcc に 4.7K~10KΩ でプルアップする必要があります。

3. このピンは、モジュール内のVccTに4.7K~10KΩでプルアップする必要があります。

4. このピンはオープンコレクタ/ドレイン出力ピンであり、ホストボード上の Host_Vcc に 4.7K~10KΩ でプルアップする必要があります。

SFPモジュールEEPROM情報と管理

SFPモジュールは、SFP-8472で定義されている2線式シリアル通信プロトコルを実装しています。SFPモジュールのシリアルID情報とデジタル診断モニタ(DDM)パラメータは、I2Cインターフェースを介してアドレスA0hとA2hからアクセスできます。メモリのマッピングは表1に示されています。詳細なID情報(A0h)は表2に、DDM仕様はアドレスA2hに記載されています。メモリマップとバイト定義の詳細については、SFF-8472「光トランシーバー用デジタル診断モニタリングインターフェース」を参照してください。DDMパラメータは内部的に校正されています。

表1. デジタル診断メモリマップ(特定データフィールドの説明)

1.25Gb/s 80km DWDM SFP Transceiver

表2 - EEPROMシリアルIDメモリの内容(A0h)

1.25Gb/s 80km DWDM SFP Transceiver

デジタル診断モニターの特性

80km DWDM SFP Transceiver

規制遵守

RSPD-03D80-Cxxは、国際的な電磁両立性(EMC)および国際的な安全要件と規格に準拠しています(詳細は後述の表を参照)。

80km DWDM SFP Transceiver

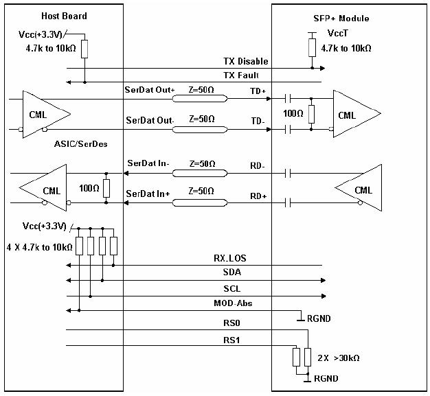
推奨回路

80km DWDM SFP Transceiver

推奨ホストボード電源回路

80km DWDM SFP Transceiver

推奨高速インターフェース回路

機械的寸法

1.25Gb/s 80km DWDM SFP Transceiver

注文情報:

1.25Gb/s 80km DWDM SFP Transceiver 1.25Gb/s 80km DWDM SFP Transceiver

この製品について知りたいですか?

送信 メッセージ
伝言を残す

あなたは私達のプロダクトに興味があり、詳細を知りたいのですが、ここにメッセージを残してください

関連製品
1.25G SFP  Transceiver 1.25g SFP 光 送受信機
1.25g SFP 光 送受信機 モジュール、サポート 1.25GB / S そして最大120 kmの送信、 を含む: SFP SR、 SFP LR、 SFP ER、 SFP + ZRなど高速で機能します。IDC ..接続ソリューション、ネットワークスイッチ、PTN、 OTN そしてそのために。
1.25G SFP  Transceiver 1.25g DWDM SFP 光 送受信機
1.25g SFP 光 送受信機 モジュール、サポート 1.25GB / S そして最大120 kmの送信、 を含む: SFP SR、 SFP LR、 SFP ER、 SFP + ZRなど高速で機能します。IDC ..接続ソリューション、ネットワークスイッチ、PTN、 OTN そしてそのために。
1.25G SFP  Transceiver 1.25g CWDM SFP 光 送受信機
1.25g SFP 光 送受信機 モジュール、サポート 1.25GB / S そして最大120 kmの送信、 を含む: SFP SR、 SFP LR、 SFP ER、 SFP + ZRなど高速で機能します。IDC ..接続ソリューション、ネットワークスイッチ、PTN、 OTN そしてそのために。
1.25G SFP  Transceiver 1.25g Bidi SFP 光 送受信機
1.25g SFP 光 送受信機 モジュール、サポート 1.25GB / S そして最大120 kmの送信、 を含む: SFP SR、 SFP LR、 SFP ER、 SFP + ZRなど高速で機能します。IDC ..接続ソリューション、ネットワークスイッチ、PTN、 OTN そしてそのために。
China SFP 1.25G 1270-1610nm CWDM 200KM DDM Optical Transceiver SFP 1.25G 1270-1610nm CWDM 200KM DDM 光トランシーバー
1.25G SFP 光トランシーバ モジュール、1.25Gb/s および最大 200 km の伝送をサポート 特徴: 最大 1.25Gb/秒のデータ リンク ホットプラグ対応 デュプレックス LC コネクタ 9/125μm SMFで最大200km 1270~1610nm CWDM DFBレーザー送信機 APD受信機 +3.3V単電源 SFF-8472に準拠した監視インターフェース 最大電力 <1W 商用動作温度範囲: -0°C ~ 70°C バージョンあり RoHS準拠および鉛フリー アプリケーション: メトロ/アクセス ネットワーク 1.25 Gb/秒 1000Base-EZX イーサネット 1×ファイバーチャンネル その他の光リンク
SFP 1.25G DWDM 180KM Transceiver SFP 1.25G C17-C61 DWDM 180KM DDM 光トランシーバー
1.25G SFP 光トランシーバー モジュール、1.25Gb/s および最大 180 km の伝送をサポート 特徴: ホットプラグ対応 デュプレックス LC コネクタ 最大 1.25Gb/秒のデータ速度 100GHz ITU グリッド、C バンド DWDM COOLED DFB 送信機、APD 光検出器 SMF リンクは最大 180km SFF 8472 デ​​ジタル診断モニタリング インターフェイスに準拠した管理仕様の 2 線式インターフェイス 電源:+3.3V 消費電力<1.5W 温度範囲:0~70℃ RoHS対応 アプリケーション: 1Gファイバーチャネル DWDM ネットワーク ファイバーチャネル
China SFP 1.25G 1550nm 200KM DDM Optical Transceiver SFP 1.25G 1550nm 200KM DDM 光トランシーバー
1.25G SFP 光トランシーバ モジュール、1.25Gb/s 200 km 伝送をサポート、高速 IDC 接続ソリューション、ネットワーク スイッチ、PTN、OTN などで動作します。 特徴: 最大 1.25Gb/秒のデータ リンク ホットプラグ対応 デュプレックス LC コネクタ 9/125μmSMFで最大200km 1550nmCOOLED DFレーザー送信機 APD受信機 +3.3V単電源 SFF-8472に準拠した監視インターフェース 最大電力<1.5W 動作温度範囲: 商用: 0°C ~ 70°C、産業用: -40°C ~ +85°C RoHS準拠および鉛フリー アプリケーション: メトロ/アクセス ネットワーク 1.25 Gb/秒 1000Base-EZX イーサネット 1×ファイバーチャネル その他の光リンク
China SFP 1.25G 1270-1610nm CWDM 150KM DDM Optical Transceiver SFP 1.25G 1270-1610nm CWDM 150KM DDM 光トランシーバー
1.25G SFP 光トランシーバ モジュール、1.25Gb/s および最大 150 km の伝送をサポート 特徴: 最大 1.25Gb/秒のデータ リンク ホットプラグ対応 デュプレックス LC コネクタ 9/125μm SMFで最大150km 1270~1610nm CWDM DFBレーザー送信機 APD受信機 +3.3V単電源 SFF-8472に準拠した監視インターフェース 最大電力 <1W 商用動作温度範囲: -0°C ~ 70°C バージョンあり RoHS準拠および鉛フリー アプリケーション: メトロ/アクセス ネットワーク 1.25 Gb/秒 1000Base-EZX イーサネット 1×ファイバーチャンネル その他の光リンク
伝言を残す
伝言を残す
あなたは私達のプロダクトに興味があり、詳細を知りたいのですが、ここにメッセージを残してください

製品

について

接触